Зарядка аккумулятора схема и принцип действия. Схема заряда аккумулятора
Зарядка аккумулятора схема и принцип действия
Как происходит зарядка аккумулятора? Схема этого устройства сложна или нет, для того чтобы сделать устройство своими руками? Отличается ли принципиально зарядное устройство для автомобильного аккумулятора от того, что применяется для мобильных телефонов? На все поставленные вопросы мы попытаемся ответить далее в статье.
Общие сведения
Аккумулятор играет очень важную роль в функционировании устройств, агрегатов и механизмов, для работы которых необходимо электричество. Так, в транспортных средствах он помогает запустить двигатель машины. А в мобильных телефонах батареи позволяют нам совершать звонки.
Зарядка аккумулятора, схема и принципы работы данного устройства рассматриваются даже в школьном курсе физики. Но, увы, уже к выпуску многие эти знания успевают позабыть. Поэтому спешим напомнить, что в основу работы аккумулятора положен принцип возникновения разности напряжения (потенциалов) между двумя пластинами, которые специально погружаются в раствор электролита.
Первые батареи были медно-цинковыми. Но с того времени они существенно улучшились и модернизировались.
Как устроена аккумуляторная батарея
Единственный видимый элемент любого устройства – корпус. Он обеспечивает общность и целостность конструкции. Следует отметить, что наименование «аккумулятор» может быть полноценно применено только к одной ячейке батареи (их ещё называют банками), а том же стандартном автомобильном аккумуляторе на 12 В их всего шесть.
Возвращаемся к корпусу. К нему выдвигают жесткие требования. Так, он должен быть:
- стойким к агрессивным химическим реагентам;
- способным переносить значительные колебания температуры;
- обладающим хорошими показателями вибростойкости.
Всем этим требованиям отвечает современный синтетический материал – полипропилен. Более детальные различия следует выделять только при работе с конкретными образцами.
Принцип работы
В качестве примера мы рассмотрим свинцово-кислотные батареи.
Когда есть нагрузка на клемму, то начинает происходить химическая реакция, которая сопровождается выделением электричества. Со временем батарея будет разряжаться. А как она восстанавливается? Есть ли простая схема?
Зарядка аккумулятора не является чем-то сложным. Необходимо осуществлять обратный процесс – подаётся электричество на клеммы, вновь происходят химические реакции (восстанавливается чистый свинец), которые в будущем позволят использовать аккумулятор.
Также во время зарядки происходит повышение плотности электролита. Таким образом батарея восстанавливает свои начальные свойства. Чем лучше были технология и материалы, которые применялись при изготовлении, тем больше циклов заряда/разряда может выдержать аккумулятор.
Какие электрические схемы зарядки аккумуляторов существуют
Классическое устройство делают из выпрямителя и трансформатора. Если рассматривать все те же автомобильные батареи с напряжением в 12 В, то зарядки для них обладают постоянным током примерно на 14 В.
Почему именно так? Такое напряжение необходимо для того, чтобы ток мог идти через разряженный автомобильный аккумулятор. Если он сам имеет 12 В, то устройство той же мощности ему помочь не сможет, поэтому и берут более высокие значения. Но во всём необходимо знать меру: если слишком завысить напряжение, то это пагубно скажется на сроке службы устройства.
Поэтому при желании сделать прибор своими руками, необходимо для машин искать подходящие схемы зарядки автомобильных аккумуляторов. Это же относится и к другой технике. Если необходима схема зарядки аккумулятора литий-ионного, то тут необходимо устройство на 4 В и не больше.
Процесс восстановления
Допустим, у вас есть схема зарядки аккумулятора от генератора, по которой было собрано устройство. Батарея подключается и сразу же начинается процесс восстановления. По мере его протекания будет расти внутреннее сопротивление устройства. Вместе с ним будет падать зарядный ток.
Когда напряжение приблизится к максимально возможному значению, то этот процесс вообще практически не протекает. А это свидетельствует о том, что устройство успешно зарядилось и его можно отключать.
Технологические рекомендации
Необходимо следить, чтобы ток аккумулятора составлял только 10% от его емкости. Причем не рекомендовано ни превышать этот показатель, ни уменьшать его. Так, если вы пойдёте по первому пути, то начнёт испаряться электролит, что значительно повлияет на максимальную емкость и время работы аккумулятора. На втором пути необходимые процессы не будут происходить в требуемой интенсивности, из-за чего негативные процессы продолжатся, хотя и в несколько меньшей мере.
Зарядка
Описываемое устройство можно купить или собрать своими руками. Для второго варианта нам понадобятся электрические схемы зарядки аккумуляторов. Выбор технологии, по которой она будет делаться, должен происходить зависимо от того, какие батареи являются целевыми. Понадобятся такие составляющие:
- Ограничитель тока (конструируется на балластных конденсаторах и трансформаторе). Чем большего показателя удастся достичь, тем значительней будет величина тока. В целом, для работы зарядки этого должно хватить. Но вот надёжность данного устройства весьма низкая. Так, если нарушить контакты или что-то перепутать, то и трансформатор, и конденсаторы выйдут из строя.
- Защита на случай подключения «не тех» полюсов. Для этого можно сконструировать реле. Так, условная завязка базируется на диоде. Если перепутать плюс и минус, то он не будет пропускать ток. А поскольку на нём завязано реле, то оно будет обесточенным. Причем использовать данную схему можно с устройством, в основе которого и тиристоры, и транзисторы. Подключать её необходимо в разрыв проводов, с помощью которых сама зарядка соединяется с аккумулятором.
- Автоматика, которой должна обладать зарядка аккумулятора. Схема в данном случае должна гарантировать, что устройство будет работать только тогда, когда в этом действительно есть потребность. Для этого с помощью резисторов меняется порог срабатывания контролирующего диода. Считается, что аккумуляторы на 12 В являются полностью, когда их напряжение находится в рамках 12,8 В. Поэтому этот показатель является желанным для данной схемы.
Заключение
Вот мы и рассмотрели, что собой представляет зарядка аккумулятора. Схема данного устройства может быть выполнена и на одной плате, но следует отметить, что это довольно сложно. Поэтому их делают многослойными.
В рамках статьи вашему вниманию были представлены различные принципиальные схемы, которые дают понять, как же, собственно, происходит зарядка аккумуляторов. Но необходимо понимать, что это только общие изображения, а более детальные, имеющие указания протекающих химических реакций, являются особенными для каждого типа батареи.
fb.ru
Обзор схем зарядных устройств
Соблюдение режима эксплуатации аккумуляторных батарей, и в частности режима зарядки, гарантирует их безотказную работу в течение всего срока службы. Зарядку аккумуляторных батарей производят током, значение которого можно определить по формуле
I=0,1Q
где I - средний зарядный ток, А., а Q - паспортная электрическая емкость аккумуляторной батареи, А-ч.
Зарядный ток, рекомендуемый в инструкции по эксплуатации аккумуляторной батареи, обеспечивает оптимальное протекание электрохимических процессов в ней и нормальную работу в течение длительного времени.
Классическая схема зарядного устройства для автомобильного аккумулятора состоит из понижающего трансформатора, выпрямителя и регулятора тока зарядки. В качестве регуляторов тока применяют проволочные реостаты (см. Рис. 1) и транзисторные стабилизаторы тока.
В обоих случаях на этих элементах выделяется значительная тепловая мощность, что снижает КПД зарядного устройства и увеличивает вероятность выхода его из строя.
Для регулировки зарядного тока можно использовать магазин конденсаторов, включаемых последовательно с первичной (сетевой) обмоткой трансформатора и выполняющих функцию реактивных сопротивлений, гасящих избыточное напряжение сети. Упрощенная схема такого устройства приведена на рис. 2.
В этой схеме тепловая (активная) мощность выделяется лишь на диодах VD1-VD4 выпрямительного моста и трансформаторе, поэтому нагрев устройства незначителен.
Недостатком схемы на Рис. 2 является необходимость обеспечить напряжение на вторичной обмотке трансформатора в полтора раза большее, чем номинальное напряжение нагрузки (~ 18÷20В).
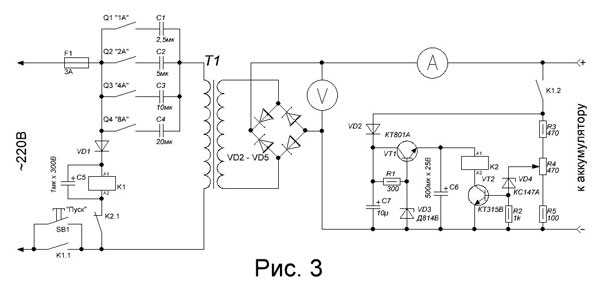
Схема зарядного устройства, обеспечивающее зарядку 12-вольтовых аккумуляторных батарей током до 15 А, причем ток зарядки можно изменять от 1 до 15 А ступенями через 1 А, приведена на Рис. 3.

Предусмотрена возможность автоматического выключения устройства, когда батарея полностью зарядится. Оно не боится кратковременных коротких замыканий в цепи нагрузки и обрывов в ней.
Выключателями Q1 - Q4 можно подключать различные комбинации конденсаторов и тем самым регулировать ток зарядки.
Переменным резистором R4 устанавливают порог срабатывания реле К2, которое должно срабатывать при напряжении на зажимах аккумулятора, равном напряжению полностью заряженной батареи.
На Рис. 4 представлена схема еще одного зарядного устройства, в котором ток зарядки плавно регулируется от нуля до максимального значения.

Изменение тока в нагрузке достигается регулированием угла открывания тринистора VS1. Узел регулирования выполнен на однопереходном транзисторе VT1. Значение этого тока определяется положением движка переменного резистора R5. Максимальный ток заряда аккумулятора 10А , устанавливается амперметром. Защита устройства обеспечена со стороны сети и нагрузки предохранителями F1 и F2.
Вариант печатной платы зарядного устройства (см. рис. 4), размером 60х75 мм приведен на следующем рисунке:

В схеме на рис. 4 вторичная обмотка трансформатора должна быть рассчитана на ток, втрое больший зарядного тока, и соответственно мощность трансформатора также должна быть втрое больше мощности, потребляемой аккумулятором.
Названное обстоятельство является существенным недостатком зарядных устройств с регулятором тока тринистором (тиристором).
Примечание:
Диоды выпрямительного мостика VD1-VD4 и тиристор VS1 необходимо установить на радиаторы.
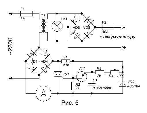
Значительно снизить потери мощности в тринисторе, а следовательно, повысить КПД зарядного устройства можно, если регулирующий элемент перенести из цепи вторичной обмотки трансформатора в цепь первичной обмотки. Схема такого устройства показана на рис. 5.

В схеме на Рис. 5 регулирующий узел аналогичен примененному в предыдущем варианте устройства. Тринистор VS1 включен в диагональ выпрямительного моста VD1 - VD4. Поскольку ток первичной обмотки трансформатора примерно в 10 раз меньше тока заряда, на диодах VD1-VD4 и тринисторе VS1 выделяется относительно небольшая тепловая мощность и они не требуют установки на радиаторы. Кроме того, применение тринистора в цепи первичной обмотки трансформатора позволило несколько улучшить форму кривой зарядного тока и снизить значение коэффициента формы кривой тока (что также приводит к повышению КПД зарядного устройства). К недостатку этого зарядного устройства следует отнести гальваническую связь с сетью элементов узла регулирования, что необходимо учитывать при разработке конструктивного исполнения (например, использовать переменный резистор с пластмассовой осью).
Вариант печатной платы зарядного устройства на рисенке 5, размером 60х75 мм приведен на рисунке ниже:

Примечание:
Диоды выпрямительного мостика VD5-VD8 необходимо установить на радиаторы.
В зарядном устройстве на рисунке 5 диодный мостик VD1-VD4 типа КЦ402 или КЦ405 с буквами А, Б, В. Стабилитрон VD3 типа КС518, КС522, КС524, или составленный из двух одинаковых стабилитронов с суммарным напряжением стабилизации 16÷24 вольта (КС482, Д808, КС510 и др.). Транзистор VT1 однопереходной, типа КТ117А, Б, В, Г. Диодный мостик VD5-VD8 составлен из диодов, с рабочим током не менее 10 ампер (Д242÷Д247 и др.). Диоды устанавливаются на радиаторы площадью не менее 200 кв.см, а если радиаторы будут сильно нагреваться, в корпус зарядного устройства можно установить вентилятор для обдува.
radiolub.ru
КАК ЗАРЯЖАТЬ АККУМУЛЯТОРЫ
Жизнь современного человека трудно себе представить без различных бытовых помощников. Автомобили, компьютеры, звуковоспроизводящие устройства, телефоны, бытовая медицинская техника, фонари и т.д. - все это стало неотемлемой необходимостью в наше время. Связующим звеном, которым можно связать такие разные предметы как автомобиль и фонарик, являются химические источники тока. В данной статье мы рассмотрим основной класс электрохимических возобновляемых источников тока - аккумуляторные батареи, а так же как заряжать аккумуляторы различных типов. Соблюдение режима эксплуатации аккумуляторных батарей, и в частности режима заряки, гарантирует их безотказную работу в течении всего срока службы. Основополагающими факторами при заряде любых батарей являются токи и напряжения приложенные во время процесса зарядки. Установлено, что зарядка чрезмерно большим током приводит к деформации пластин аккумуляторов и даже к их разрушению. Зарядка малым током вызывает сульфатацию пластин и снижению емкости аккумуляторной батареи. Зарядный ток, рекомендуемый в инструкции по эксплуатации батареи, обеспечивает оптимальное протекание электрохимических процессов в ней и нормальную работу в течении всего срока эксплуатации. Некоторые недобросовесные производители (в частности Китайские) приводят в паспортах на свои изделия совершенно ненормированные показатели токов заряда,и как следствие батарея выходит из эксплуатации раньше времени. Цель таких производителей - экономическая выгода (ведь вышедший из строя аккумулятор придется сменить на новый). Чтобы не попадаться на удочку таких горе-производителей, приведу несколько теоретических выкладок и советов. Зарядку аккумуляторных батарей производят вполне определенным током, значение которого можно вычислить по формуле I=0,1Q для кислотных

и I=0,25Q для щелочных аккумуляторных батарей,

где Q-паспортная электрическая емкость батареи (А-ч), а I-средний зарядный ток (А). Для герметичных кислотно-свинцовых аккумуляторов (гелевых)

значение зарядного тока расчитывают исходя из того, что он должен составлять 0,2-0,3 от емкости батареи. Такое же значение зарядного тока применимо и для NI-MH аккумуляторов. Кислотные батареи чуствительны к недозарядке и перезарядке. Щелочные аккумуляторные батареи менее критичны к режиму эксплуатации. Гелевые элементы питания можно заряжать/разряжать только до значений указанных в паспорте или на самой батарее. NI-MH и NI-CD батареи заряжают до номинального паспортного значения, но из 10 циклов заряда разряда такие батареи желательно хотя бы один раз разрядить полностью (до нижнего номинального значения) а затем зарядить. Связано это с возникновением эффекта памяти у этих батарей - устройства в которых они применяются как правило не позволяют произвести полного разряда батареи (отключаются раньше), и мы производим заряд недоразряженного элемента. Со временем (в очень короткие сроки) это приводит к выходу батареи из строя.

Блок схема зарядного устройства состоит из понижающего трансформатора и выпрямителя. В качестве регуляторов тока в практических схемах используют: проволочные реостаты; магазины конденсаторов, включаемых последовательно с первичной обмоткой трансформатора; транзисторные и интегральные стабилизаторы тока; тиристорные регуляторы. Далее предлагаю рассмотреть несколько простых практических схем для зарядки аккумуляторных батарей.

Для зарядки кислотных АКБ на протяжении 15 лет использую простой самодельный зарядник

с перемотанным трансформатором ТС-270 (транс перематывался для достижения токов в 15А,что в конечном счете и не понадобилось).

Электронную начинку регулятора тока можно собрать по схеме Руслана Старобинского

или по схеме Германа Рабурахманова (десульфатирующее зарядное устройство, для восстановления аккумуляторной батареи).

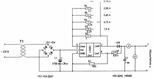
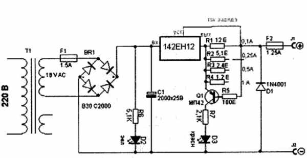
Прибор желательно оснастить амперметром для наблюдений за протекающими процессами (на снимке миллиамперметр от радиостанции с константановым шунтом). Для зарядки герметичных кислотно-свинцовых аккумуляторов (гелевых) можно применить устройство на микросхеме L200C.

Но в силу того, что микросхема эта довольно редкая и дорогая, можно изготовить более простое универсальное зарядное устройство, подходящее для всех типов не слишком емких аккумуляторов.

Основа схемы-интегральный стабилизатор К142ЕН12; диодный мост-любой на ток не менее 2А;

транзистор германиевый из-за малого открывающего напряжения Б-Э; резисторы R1-R4 с мощностью рассеивания от 2Вт (можно намотать из нихрома). Сборка схемы зарядки. Она содержит минимальное количество деталей и может быть произведена навесным монтажем. В качестве переключателя режимов зарядного тока применим галетный.

Подключаем к заряднику полностью разряженный аккумулятор, выбираем зарядный ток по известной формуле и заряжаем в течении 12 часов. В заключении совет по выбору ЗУ при покупке - не поленитесь поискать в сети данные на приглянувшееся вам зарядное устройство. Это сможет вас уберечь от ненужных трат. Если же имеющееся у вас устройство вызывает подозрение (изготовленное неизвестно где ЗУ для малоемкого аккумулятора), не поленитесь открыть его корпус - в некоторых устройствах ничего кроме выпрямителя не имеется, и у вас будет поле для модернизаций и усовершенствований (если вы конечно не хотите потерять свой аккумулятор раньше времени). Конечно тут приведены не все теоретические и практические выкладки и тонкости, а только самые основные. В дальнейших наших публикациях мы познакомимся с более сложными типами ЗУ. Автор: Электродыч.
el-shema.ru
Схема зарядки Li-ion аккумулятора
Данная схема — устройства зарядки сборки из двух литий ионных аккумуляторов общим вольтажом в 7.4 вольт.
Компоненты для зарядки аккумуляторов:
- светодиод x 1
- 470 оm резисторы x 3
- 47 Om Резистор x 1
- 2.2 KOm Резистор x 1
- 1 Om 5 W Резистор x 1
- 1 KOm Триммер x 1
- 0.1 мФ Керамические конденсаторы x 2
- 1N4004 Диод x 1
- LM317 Стабилизатор напряжения x 1
LM317 Стабилизатор напряжения
- 7.4 V Li-Ion аккумулятор x 1 (сборка из 2 аккумов)
- адаптер питания на 12 вольт x 1
Ниже приведены схемы зарядки Li-Ion аккумуляторов.
Схему для программы Eagle можно скачать по ссылке

Изготавливал плату я традиционным способом, с помощью утюга и глянцевой бумаги, т.е методом термопереноса..
Травил в растворе хлорного железа. На фото ниже изображена плата с установленными радиоэлементами. На cтабилизатор напряжения LM317, был установлен мини радиатор. Большой белый блок на плате — это 5 ваттный 1ом резистор.

Ниже — изображение тестирования цепи зарядного устройства.Перед установкой батарей, которые будут заряжаться, нам нужно установить ограничение зарядки.Плата питается от адаптера 12 вольт.Триммер используется для установки предела выходного напряжения. Чтобы установить ограничение, измерьте напряжение на выходе (без подключения аккумулятора) и отрегулируйте триммер R4 до измеренного напряжения равного предельному. Я установил на схеме предел 7,2 вольт.Как только предел устанавливается мы можем присоединить батарею, которую будем заряжать.Пока батарея имеет низкий заряд светодиод будет светиться ярче.После того, как батарея полностью заряжена индикатор станет тусклым и может отключаться. Батарея может быть отключена от зарядного устройства.
silatoka.net
СХЕМА ЗАРЯДНОГО УСТРОЙСТВА ДЛЯ АККУМУЛЯТОРА
Недавно была опубликована схема простого проверенного самодельного устройства для зарядки небольших аккумуляторов, в частности литий-ионных аккумуляторов шуруповёрта. В процессе экспериментов, были введены пару дополнений, которые позволили зарядному устройству повысить стабильность зарядного тока и упростить работу с ЗУ.
В данной схеме реализован режим заряда аккумулятора постоянным током, который прекращается по истечении определенного времени, необходимым для полного заряда. Устройство следит за степенью заряда аккумулятора и само отключит (уменьшит почти до нуля) зарядный ток по достижении заданного напряжения на нём. Зарядный ток составляет обычно I=0,1·Е, где I - зарядный ток в амперах, а Е - емкость аккумулятора в амперчасах. В этом режиме коефициент ёмкостного эффекта аккумулятора принимают 70% и длительность зарядки устанавливают около 15 часов. Режим зарядки малым током хорош тем, что даже при значительной перезарядке аккумулятор не будет поврежден.




Форум по зарядным устройствам
Обсудить статью СХЕМА ЗАРЯДНОГО УСТРОЙСТВА ДЛЯ АККУМУЛЯТОРА
radioskot.ru
Схема зарядки аккумулятора
Аккумуляторная батарея – один из важнейших элементов любого транспортного средства. При правильной эксплуатации и своевременном уходе она исправно исполняет свои функции долгие годы. Однако случаи разрядки аккумулятора по каким-либо причинам достаточно нередки, в том числе и в случае длительного пребывания без эксплуатации. Как правило, это не влечет за собой никаких катастрофических последствий, и после правильно проведенной подзарядки аккумуляторная батарея способна работать еще длительное время.
В специализированных магазинах и на рынках сегодня можно встретить самые разнообразные устройства для зарядки аккумуляторных батарей, как автоматические, так и полуавтоматические, с электронными схемами различной степени сложности. В большинстве своем это достаточно надежные и безопасные устройства, однако стоимость их нередко бывает достаточно высока для рядового автолюбителя. При этом играет роль и психологический фактор – ведь, невзирая на свою несомненную полезность, зарядные устройства используют весьма редко, иногда – раз в несколько лет.
Для автолюбителей, немного разбирающихся в электронике, существует вполне простое, экономичное и эффективное решение – самостоятельно изготовить зарядное устройство для аккумуляторной батареи. Существуют различные схемы зарядных устройств, ниже будут приведены наиболее простые в изготовлении, и в то же время уже проверенные в эксплуатации.
Вот простейшие схемы устройств для зарядки аккумуляторной батареи:
1) схема включает в себя:
- понижающий трансформатор, с одной из обмоток, рассчитанных на 220 вольт, и одной из других – от 12 до 50 вольт, мощностью 25-100 Вт;
- автомобильную 12-вольтную лампочку 21-60 Вт;
- выпрямительный диод на ток 5…50 А и обратное напряжение от 100 до 1000, это могут быть Д242-Д247, КД203, КД210 и т.п.
Электрическая схема:

Приблизительный ток зарядки в данном случае составит (12…50 — 12)*21…60/12/12/2 = 0,5…8 ампера. При использовании трансформатора 220/24 В, лампочки 21 Вт и диода КД203Д зарядный ток — примерно 1А.
Для того, чтобы зарядный ток сделать бо?льшим вдвое, следует изготовить диодный мост:
2) зарядное устройство без трансформатора:

Диод должен иметь обратное напряжение не менее 400 вольт, а ток — более 2 ампер , например Д233, Д246,КД203,ДЛ112 и т.п., а лампочка – 220В, мощностью от 100 до 200 Вт. Зарядный ток такого устройства приблизительно 0,2-0,5 А. Для его увеличения следует использовать чуть более сложную схему:

В этом случае ток зарядки увеличится до 1А. Для того. чтобы получить еще большее значение можно использовать электролампу (или любой бытовой прибор) мощностью 500…1000 Вт, в таком случае зарядный ток составит 2…4 А.
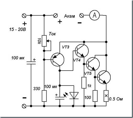
3) автоматическое зарядное устройство, созданное по одной из «классических» схем. Его конструкция чуть более сложная, однако вполне доступна и надежна:

Регулировка тока заряда производится при помощи транзистора VT3 (его коллекторное напряжение, в свою очередь, управляет индикатором заряда на светодиоде – по мене увеличения заряда АКБ ток падает, и свечение светодиода ослабевает) и составного транзистора VT4, VT5, VT6.
Ограничение максимального зарядного тока осуществляет резистор R3, поэтому его мощность должна быть не менее 10 Вт. Порог заряда батареи следует устанавливать около 13,8 В, в таком случае зарядка производится на полную емкость. Устанавливает данный порог резистор 10к. Транзисторы 814, 815 и КТ805 на выход.
Для изготовления корпуса необходимо использовать любой крепкий материал с хорошими изоляционными свойствами. Устройство следует оснастить амперметром, вольтметром и светодиодами, показывающими наличие питания и уровень заряда. Зарядный ток следует выставлять на уровне 0,1…0,2 паспортной емкости аккумулятора.
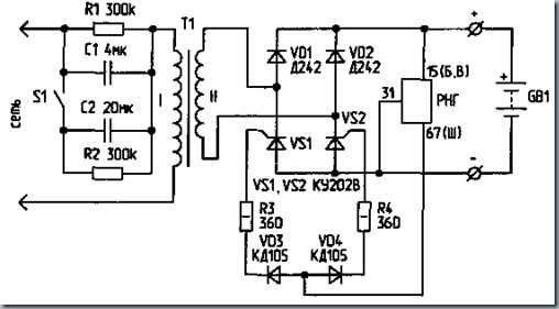
4) еще одна схема устройства для зарядки разряженных АКБ и для поддержания должного уровня заряда батарей, находящихся на длительном хранении:

В этом зарядном устройстве допустимо использование любого трансформатора, обладающего мощностью 150…250 ВА и напряжением на вторичной обмотке 20…36 В. Для диодного моста можно применить любые диоды, рассчитанные на номинальный ток, превышающий 10 А. Используемые тиристоры – КУ202 В, Г и т.п. Как регулирующий элемент вполне можно взять обычный регулятор напряжения для генератора автомобиля (РНГ) на 14 В любого типа (например, 121.3702). Переключателем S1 производится выбор режима зарядки либо хранения. Ток хранения должен быть равен 1…1.5 А, а оптимальный ток зарядки – 0,1 от установленной производителем емкости АКБ.
Из настроечных работ в данном устройстве требуется лишь проверить емкость конденсатора, осуществляя контроль силы тока амперметром. Во время этой операции следует закоротить выводы 15 и 67.
При изготовлении устройства для зарядки аккумуляторных батарей необходимо соблюдать все соответствующие меры предосторожности, исключающие возможность замыканий и экстремальных сбоев в работе прибора. Поэтому изготовление и работа с самодельными зарядными устройствами рекомендуется пользователям, уверенным в своих знаниях.
Читайте так же:
avtorussians.ru
Схема зарядки автомобильного аккумулятора
Зарядка для автомобильного аккумулятора своими руками

Цены на современные зарядки для автомобильных аккумуляторов постоянно растут изза неспадающего на них спроса. На нашем сайте выложены уже несколько схем таких устройств.И представляю вашему вниманию еще одно устройство: Схема зарядки для автомобильного акб на 12 Вольт
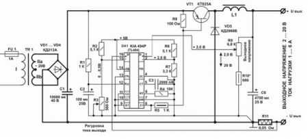
Схема устройства:

В схеме зарядки для аккумулятора имеется узел контроля, обеспечивающий отключение по окончанию процесса зарядки.Микросхема TL494 ШИМ – контроллер, применяющийся в импульсных блоках питания персональных компьютеров, может обеспечить регулировку выходного I заряда в диапазоне 1- 6 А и Uвых. 2-20 В. Максимально возможный ток которое может выдать зарядное устройство для авто аккумуляторадостигает 10А.
Конструктивно все мощные и тепловыделяющие элементы: ключевой транзистор VT1, VD5, выпрямительные диоды VD1 - VD4 должны быть установлены на радиатор достаточной площади рассеивания. Надёжная схема зарядного устройства автомобильного аккумулятора собирается с использованием слюдяных прокладок на радиатор площадью минимум 200 см2, рекомендуемое значение будет 500 см2. Для этих целей хорошо подойдёт игольчатый радиатор. От дросселя L1 зависит КПД схемы зарядных устройств авто аккумуляторов. Сердечник можно взять от импульсного трансформатора ТПИ, который расположен в блоке питания телевизоров 3УСЦТ-5УСЦТ.

Щелевой зазор магнитопровода должен быть 0,5-1,5 мм. Этим мы предотвращаем насыщение при максимальных токах. Наматываем примерно витков 15-100 проводом ПЭВ-2 2,0 мм. Свистящий звук будет исходить от дросселя если мы намотаем лишних витков при средних токах. Если зарядное устройство для авто аккумулятора перестаёт издавать свистящий звук при малых токах а при больших выходной транзистор VT1 начинает сильно греться то необходимо увеличить F рабочую микросхемы TL494 подбором элементов R4 или C3. Можно правда применить в схема зарядного устройства автомобильного аккумулятора дроссель L1 большего типоразмера. Если у Вас нет силовых транзисторов p-n-p то можно применить транзисторы n-p-n, соединённые по схеме Дарлингтона.
Схема зарядного устройства для автомобиля должна содержать диод VD5 с барьером Шоттки с Iраб 10А и U 50В, диод КД213или КД2997 использовать в крайнем случае. Вместо мощных выпрямительных диодов на ток 10А можно использовать диодный мост KBPC3506или MP3508. Rшунта наматываем самостоятельно. I выхода зависит от R3 в цепи 15 ноги микросхемы tl494. Резистор регулировки Uвых. R9 в схемы зарядных устройств авто аккумуляторов может иметь номинал 2-100 кОм. R10 устанавливает максимум выходного напряжения. Минимум Uвых. определяется соотношением R6 и R7, но не меньше 1 В. Зарядное устройство для авто аккумулятора на микросхеме tl494 использует переделанный трансформатор ТС180 от телевизоров черно-белого изображения типа Горизонт.Если все элементы исправны то схема зарядного устройства автомобильного аккумулятора начинает работать сразу же без дополнительной подстройки.
Смотрите также остальные схемы на нашем сайте зарядных устройств
radiostroi.ru
Видеоматериалы
Опыт пилотных регионов, где соцнормы на электроэнергию уже введены, показывает: граждане платить стали меньше
Подробнее...С начала года из ветхого и аварийного жилья в республике были переселены десятки семей
Подробнее...Более 10-ти миллионов рублей направлено на капитальный ремонт многоквартирных домов в Лескенском районе
Подробнее...Актуальные темы
ОТЧЕТ о деятельности министерства энергетики, ЖКХ и тарифной политики Кабардино-Балкарской Республики в сфере государственного регулирования и контроля цен и тарифов в 2012 году и об основных задачах на 2013 год
Подробнее...Предложения организаций, осуществляющих регулируемую деятельность о размере подлежащих государственному регулированию цен (тарифов) на 2013 год
Подробнее...
КОНТАКТЫ
360051, КБР, г. Нальчик
ул. Горького, 4
тел: 8 (8662) 40-93-82
факс: 8 (8662) 47-31-81
e-mail:
Этот адрес электронной почты защищен от спам-ботов. У вас должен быть включен JavaScript для просмотра.


















